正泰推出新一代工业级智能无触点稳压器
正泰工业级无触点智能稳压器分为单相DBW-JW、三相SBW-JW两种,与其它形式稳压器相比具有容量大、效率高、无波形畸变、电压调节响应时间快,适用负载广泛的特点,本系列产品设有过压、欠压、过流等保护功能,使用安装方便,运行可靠。
DBW-JW、SBW-JW 正泰工业级智能型无触点稳压器

1、无触点稳压器产品概述
本系列工业级无触点智能稳压器分为单相DBW-JW、三相SBW-JW两种,与其它形式稳压器相比具有容量大、效率高、无波形畸变、电压调节响应时间快,适用负载广泛的特点,本系列产品设有过压、欠压、过流等保护功能,使用安装方便,运行可靠。
无触点稳压器采用DSP运算计量芯片控制技术、快速交流采样技术、有 效值校正技术、电流过零切换技术和快速补偿稳压技术,将智能 仪表、快速稳压和故障诊断结合在一起,产品安全、高 效、精密。
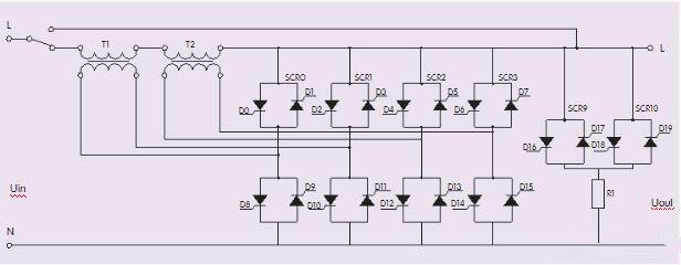
产品主要由隔离变压器、SCR模块、CPU控制核心、安全保护装置组成,实现了全无触点控制。广泛应用于工业、交通、 邮电、通信、国防、铁路、科研等领域的大型机电设备、金属加工设备、生产流水线、电梯、医疗器械、刺绣轻纺设备、空调、广 播电视、家用电器及大楼照明等需要稳定电压的用电设备。
正泰无触点稳压器符合标准:YD/T 1270。
2、型号及含义

3、产品特点
1.CUP智能控制、数字电路、稳定。
2.智能液晶显示:智能 仪表实时显示电压、电流有 效值,清晰、准确、人性化人机操作界面。
3.三相分调,输出电压不平衡度小于1%,每相输出电压的精度不变,无触点、无磨损、免维护。
4.高速反应:稳压响应时间在40 毫秒以内,对电脑自动化、设备及 仪器,不产生电压变化影响。
5.高精度:产品输出电压精度±1%~±5%可设定, 稳压精度为±1%。
6.通讯接口:机内配置RS-232通讯接口(选购)。
7.抗干扰、净化能力强、使输出电力纯净。
8.适用范围广:稳压范围宽,可满足电源电网质量差、电压波动范围大的场所及设备使用。
9.保护功能齐全:设有过载、过压、欠压、短路等故障显示和保护功能,确保稳压器及负载安全运行。
10.预置功能强:过流保护限值可以任意设定。
11.适应性强:对电网和负载的适应性强,可在各种恶劣的电网和复杂的负载情况下,连续稳定工作。
12.输出电压波形无 畸变:采用电流过零切换技术,在切换过程中无断流、无浪涌电流产生,波形无畸变。
13.损耗低:电力损耗小,空载损耗小于0.5%。
14.有旁路功能,易维护:可在稳压与旁路直通供电之间切换,方便故障维修时使用。
4、工作原理方框图

注:此图为一相的原理方框图,三相原理方框图为3个一相原理方框图。
5、正常工作条件和安装条件
1.安装环境周围空气温度上限值为+40℃,且其24h内的平均温度值不超过+35℃。周围空气温度下限值为-5℃。
2.安装地点的海拔不超过2000m(大于2000m时须降容使用)。
3.高温为+40℃时,空气的相对湿度不超过+50%,在较低的温度下可以允许有较高的相对湿度。
例如20℃时达90%。对由于温度变化偶尔产生的凝露应采取特殊的措施。
4.户内使用,应通风良好,无明显污 秽、腐蚀性气体、 粉尘、可燃物和可燃气体。
5.水平安装,无显著摇动和冲击 振动。
6.稳压器间的输出端不能并联使用。
注:不符合上述规定的特殊使用条件应由使用单位和我公司协商确定。
6、主要参数及技术性能
| 相数 | 单相 | 三相 |
| 输入电压 | 220V±15% | 380V±15% |
| 额定输出电压 | 220V | 380V |
| 频率 | 50Hz~60Hz | 50Hz~60Hz |
| 稳压精度 | ±(1~5)%可设定 | ±(1~5)%可设定 |
| 响应时间 | <40毫秒 | <40毫秒 |
| 输出过压保护值 | (242±2)V | (418±3.5)V |
| 波形失真度 | 不产生附加波形畸变(静态) | |
| 效率 | ≧98% | |
| 抗干扰 | 避雷器、EMI滤波器、LC滤波器(选购) | |
| 过、欠压保护 | 输出相电压超过10%,切断输出或不间断转向旁路 | |
| 液晶显示 | 电压、电流、异常 | |
| 报警 | LED显示及声光报警 | |
| 通讯接口 | 机内配置RS-232接口(选购) | |
注:以上参数为常规产品,用户有特殊要求可协商定做。
7、技术性能比较

8、外形尺寸

注:以上产品外形尺寸仅供参考,实际产品尺寸以实物为准。
9、DBW-JW、SBW-JW工业级无触点智能稳压器应用领域方框图

浙江正泰电源电器有限公司于2015年元月份成功推出新一代工业级智能无触点稳压器,产品已通过北京泰尔实验室检测,产品型号DBW-JW、SBW-JW,该系列产品与传统机械式稳压器比较,具有稳压响应时间快(≦40ms)、容量大(5kVA~3000kVA)、效率高、无波形畸变,适用负载广泛等特点;欢迎来电咨询采购:0755-85286003!
在线留言订购
资讯中心
- 交流远程供电电源发生器-隔离电源转换器-视频监控系统施工 2024-01-20
- 弘翼高速电源发生器:解决一切远距离供电电压异常的终极方案 2023-11-07
- 高速公路ETC门架收费系统远距离供电设备 电源发生器 隔离电源转换器 2023-10-25
- 工地、矿山、隧道施工远距离增流增压器 2023-10-24
- 直流远程供电在通信光纤拉远技术中的应用 2023-06-19
- 通信基站长距离供电系统——交流远程供电设备 2023-05-05
- 远距离供电(远供电源)在高速上的应用 2023-04-15
- 高速公路直流远程供电系统安装注意事项 2023-04-12
- 隧道施工升压器在隧道桥梁建设中的应用 2022-10-12
- 隧道施工升压器,电力解决方案 2022-10-10





