HYZW-150KVA三相无触点稳压器
深圳弘翼工业级无触点智能稳压器主要由多个变压器补偿模块、无触点可控硅调节模块、AD采样模块、工业级单片机智能控制模块、LCD液晶显示模块、声光报警模块、系统供电模块、保护模块等组成。
HYZW-150KVA三相无触点稳压器
是指150KVA容量,输入输出为三相电压的无触点稳压器

深圳弘翼工业级无触点智能稳压器主要由多个变压器补偿模块、无触点可控硅调节模块、AD采样模块、工业级单片机智能控制模块、LCD液晶显示模块、声光报警模块、系统供电模块、保护模块等组成。
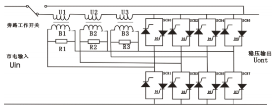
工业级无触点智能稳压器工作原理图

150K三相无触点稳压器技术特点:
*CPU智能控制、数字电路、稳定
*大屏幕液晶显示、人性化人机操作界面
*三相分调、无触点、无磨损、免维护
*稳压速度快至0.03S、可接各种类型发电机
*效率高达98%以上、功率≦1%、省电、省钱
*抗干扰、净化能力强、使输出电力纯净
*具备过压、欠压、短路、缺相、自动旁路保护功能
150K三相无触点稳压器技术参数:
*输入电压:三相(三相四线)380V±15%(订货时需说明)
*输出电压:三相(三相四线)线电压380V或相电压220V
*输出电压精度:(1-3%)可调,出厂设定±2%
*输出频率:35Hz~63Hz
*滤波失真度:不产生附加波形畸变(静态)
*效率:≧98%
*功率因数:0.8
*响应时间:≦0.03S
*抗干扰:避雷针、EMI滤波器、LC滤波器(选购)
*过、欠压保护:输出相电压超过10%,切断输出或不间断转向旁路
*过载保护:电子检测,过载3分钟内切断输出
*旁路保护:遇故障时不间断自动旁路
*缺相保护:具备(自动切断)
*超载能力:5倍额定电流1S
*液晶显示:电压、电流、异常
*报警:LED显示及声音报警
*环境温度:0~45℃
*海拔高度:<4000m
*通讯接口:机内配置RS-232接口(选购)
*噪音:<45dB(1公尺距离)
*冷却系统:风扇冷却
在线留言订购
资讯中心
- 交流远程供电电源发生器-隔离电源转换器-视频监控系统施工 2024-01-20
- 弘翼高速电源发生器:解决一切远距离供电电压异常的终极方案 2023-11-07
- 高速公路ETC门架收费系统远距离供电设备 电源发生器 隔离电源转换器 2023-10-25
- 工地、矿山、隧道施工远距离增流增压器 2023-10-24
- 直流远程供电在通信光纤拉远技术中的应用 2023-06-19
- 通信基站长距离供电系统——交流远程供电设备 2023-05-05
- 远距离供电(远供电源)在高速上的应用 2023-04-15
- 高速公路直流远程供电系统安装注意事项 2023-04-12
- 隧道施工升压器在隧道桥梁建设中的应用 2022-10-12
- 隧道施工升压器,电力解决方案 2022-10-10





